Voici un petit montage qui s’avère fort pratique pour ceux qui trafic en télégraphie.
Il s’agit d’un indicateur d’accord, spécialisé pour une fréquence en particulier.
Lorsqu’on fait de la télégraphie, il est toujours difficile de se caler sur son correspondant surtout si le récepteur n’est pas équipé d’un filtre à bande étroite.

Depuis longtemps chez Yaesu de nombreux appareils sont équipés de cette petite LED qui s’allume lorsque vous êtes parfaitement sur la fréquence de votre correspondant.
Alors que Kenwood et Icom ne possèdent pas cette fonction drôlement pratique. Bien sûr, lorsqu’on a un filtre à 300 Hz et une oreille habituée, c’est facile de se régler sans ce dispositif.
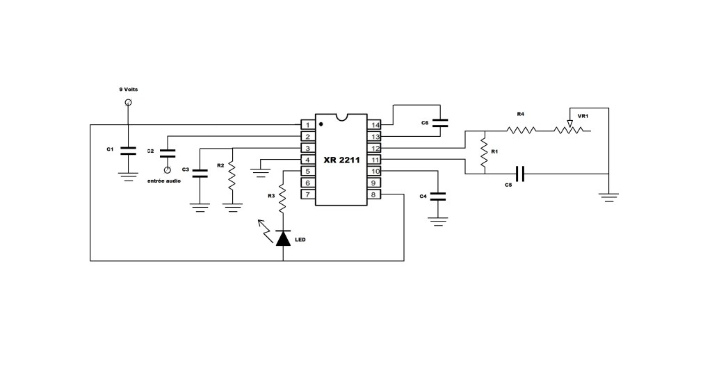
Le montage est vraiment simple et se fait autour d’un seul circuit intégré le XR2211 fabriqué par EXAR.
Le XR-2211 est un système monolithique à boucle de verrouillage de phase (PLL) spécialement conçu pour les applications de communication de données. Il est particulièrement adapté aux applications de signaux FSK. Il fonctionne sur une large plage de tensions d’alimentation de 4,5 à 20V et une large plage de fréquences de 0,01 Hz à 300 kHz. Il peut prendre en charge des signaux analogiques compris entre 10 mV et 3 V et peut s’interfacer avec les familles logiques DTL, TTL et ECL conventionnelles. Le circuit se compose d’une PLL de base pour suivre un signal d’entrée dans la bande passante, d’un détecteur de phase en quadrature qui assure la détection de la porteuse et d’un comparateur de tension FSK qui assure la démodulation FSK.


Il consomme très peu d’énergie, environ 15mA seulement. Ce montage pourra fonctionner avec une simple pile de 9V ou alors être alimenté avec le récepteur sous 13.8V. Personnellement, j’ai opté pour une tension de 8 / 9 V pour éviter de le faire chauffer pour rien. Après le montage, il suffit de le relier sur la sortie BF du récepteur et de le régler avec le potentiomètre VR 10K jusqu’à l’ allumage de la LED. Le mieux est d’utiliser un Yaesu et de se caler sur une émission CW. Il suffit ensuite de régler le montage pour que la LED s’allume en même temps que celui du récepteur.
Voici le schéma:

Liste des composants:
- CI 0.1µF
- C2 0.1µF
- C3 0.33µF
- C4 0.1µF
- C5 0.01µF
- C6 0.047µF
- R1 820k
- R2 470k
- R3 3.3k
- R4 entre 15 et 33k (20k donne de bon résultat)
- VR1 10k
- LED
- CI XR 2211

Le montage fonctionne vraiment très bien, le seul réglage c’est VR1 qui permet d’ajuster la bonne fréquence pour faire allumer la LED. L’aide d’un appareil Yaesu permet de faciliter considérablement le réglage. Un montage simple et fiable qui coute pas cher et rend de grand service.
En vidéo:
Vous devez être connecté pour poster un commentaire.